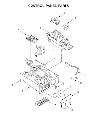
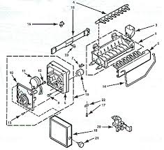
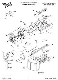
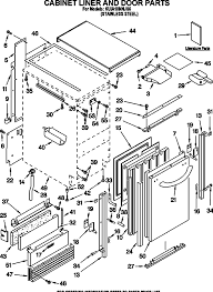
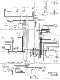
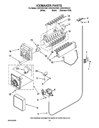
Shop KitchenAid Appliance Parts and Accessories. Find KitchenAid stand mixer attachments, plus other stand mixer accessories and countertop add-ons for our hand mixers, blenders, food processors and coffee collection. Major kitchen appliance accessories are also available to enhance your KitchenAid refrigerator, dishwasher, range, wall oven or microwave. Kitchenaid model kims8 water ice kuis18nntw1 freestanding ice maker kitchenaid model ksrb27qgss01 kitchenaid model ksrg25fkbl03. Pics of : Kitchenaid Refrigerator Ice Maker Parts List The water filter in the KitchenAid refrigerator in a busy household should be changed every four months, according to Consumer Reports. If the ice maker continues
Source: amazon.com Amazon.Com: Edgewater Parts 2182106 Quality Dual Water Valve Kit Compatible With Whirlpool, Kenmore, Maytag, Kitchenaid, Amana, Admiral, Magic Chef, Norge, And Roper Refrigerators: Home Improvement Source: m.youtube.com How To: Whirlpool/Kitchenaid/Maytag Ice Bin Wp2198573 Youtube Source: amazon.com Amazon.Com: Compatible Refrigerator Icemaker For Kitchenaid Kbfa25Erss01, Amana Aff2534Feb, Magic Chef Rb21Ka4Af, Maytag Mtb1891Arq Fridge: Home Improvement Source: easyapplianceparts.com Kitchenaid Ice Maker Parts Kitchenaid Parts Source: stevejenkins.com How To Cheaply Fix A Kitchenaid / Whirlpool Ice Maker By Just Replacing It Source: stevejenkins.com How To Cheaply Fix A Kitchenaid / Whirlpool Ice Maker By Just Replacing It Source: kitchenaid.com Ice Maker Parts And Accessories Kitchenaid Source: icemakerpro.com Everything You Need To Know About Ice Maker Parts Icemaker Pro Source: ipodschematics.ilragazzodellagiudecca.it Diagram] Wiring Diagram Whirlpool Refrigerator Ice Maker Full Version Hd Quality Ice Maker Ipodschematics.Ilragazzodellagiudecca.It Source: refrigeratorspartsus.blogspot.com Refrigerators Parts: Kitchenaid Superba Refrigerator Parts Source: kitchenaid.kr Ice Maker Parts And Accessories Kitchenaid Source: partswarehouse.com Whirlpool Ed5Vhexvb01 Side By Side Refrigerator Parts And Accessories At Partswarehouse Source: searspartsdirect.com Kitchenaid Kuix305Ess1 Freestanding Ice Maker Parts Sears Partsdirect Source: partsdr.com W10873791 Whirlpool Ice Maker Assembly Parts Dr Source: easyapplianceparts.com Kitchenaid Ice Maker Parts Kitchenaid Parts Source: american-appliance.com Modual Ice Maker Diagnostic Sheet Source: partsdr.com W10908391 Whirlpool Ice Maker Assembly Parts Dr Source: searspartsdirect.com Kitchenaid Kuis18Nnts1 Freestanding Ice Maker Parts Sears Partsdirect Source: partselect.com Kitchenaid Refrigerator Valves Replacement Parts & Accessories Partselect Source: shop.hailvarsity.com Kitchenaid Refrigerator Manual Kscs25Inss01 Shop.Hailvarsity.Com Source: apwagner.com Kscs25Inss02 Refrigerator 24.5 Cu. Ft. Side By Side Architect Series Kitchenaid Whirlpool Corporation Source: umng.oupli.rect.sapebe.mohammedshrine.org Yb_0249] Load Washer Parts Diagram Whirlpool Ice Maker Parts Diagram Maytag Free Diagram Source: producthelp.kitchenaid.com How To Install The Water Dispenser Tube Assembly Product Help Kitchenaid Source: reddit.com Kitchenaid Refrigerator Krfc302Ess00 Ice Maker Over Filling Is There A Way To Adjust The Water Flow? : Appliancerepair Source: removeandreplace.com How To Fix A Refrigerator Ice Maker That Is Not Making Ice Cubes Source: ebay.com Kitchenaid Ice Makers Parts For Sale Ebay Source: ereplacementparts.com Kitchenaid Refrigerator Kscs25Ftms02 Ereplacementparts.Com Source: searspartsdirect.com Kitchenaid Kuix305Ess1 Freestanding Ice Maker Parts Sears Partsdirect Source: whirlpool.com Home Appliance Parts & Accessories Whirlpool Source: partswarehouse.com Kitchenaid Kuia18Nnjs5 Ice Maker Partswarehouse Source: searspartsdirect.com Kitchenaid Kscs25Fkss02 Side By Side Refrigerator Parts Sears Partsdirect Source: partselect.com Kbfs20Evms2 Kitchenaid Refrigerator Parts & Repair Help Partselect Source: lowes.com Whirlpool Ice Maker Kit In The Refrigerator Parts Department At Lowes.Com Source: partselect.com Ice Maker Assembly 8 Cube 2198597 Official Whirlpool Part Fast Shipping Partselect Source: kitchenaid.com Ice Maker Parts And Accessories Kitchenaid Source: kitchenaid.com Kitchenaid Parts & Accessories Kitchenaid Source: manualzz.com Kitchenaid Ice Maker Kbls20Etss01 User Manual Manualzz Source: diagramjoshy.solanelsole.it Diagram] Samsung Ice Maker Diagram Full Version Hd Quality Maker Diagram Diagramjoshy.Solanelsole.It Source: amazon.com Amazon.Com: Whirlpool W10884390 Ice Maker: Home Improvement Source: pinterest.com Whirlpool Wpw10152854 Lever, Ice Dispenser (Black) Whirlpool Refrigerator, Kitchenaid Refrigerator, Refrigerator Whirlpool Source: american-appliance.com Modual Ice Maker Diagnostic Sheet Source: truetex.com Repairing The Whirlpool And Kitchenaid Ice Machines Source: manualslib.com Kitchenaid Ksrs25Qdal01 Parts List Pdf Download Manualslib Source: fix.com Oem Kitchenaid Ice Maker Parts Expert Diy Repair Help & Fast Shipping Fix.Com Source: kitchenaid.com Kitchenaid Refrigerator Water Filters Kitchenaid Source: searspartsdirect.com Kitchenaid Kbfs22Ewms9 Bottom Mount Refrigerator Parts Sears Partsdirect Source: fourwinnswiring.carpakoi.it Diagram] Wiring Diagram Ice Maker Full Version Hd Quality Ice Maker Fourwinnswiring.Carpakoi.It Source: ebay.com Ice Maker For Whirlpool Kitchenaid 2198597 Refrigerator Icemaker Ap3182733 Ebay Source: partswarehouse.com Kitchenaid Ksrs25Fgwh02 Refrigerator Partswarehouse Source: searspartsdirect.com Kitchenaid Kfcs22Evms4 Bottom Mount Refrigerator Parts Sears Partsdirect Source: wiringlv.tunelweb.it Diagram] Kitchenaid Superba Wiring Diagram Full Version Hd Quality Wiring Diagram Wiringlv.Tunelweb.It Source: kitchenaidparts.com Kitchenaid Refrigerator Ice Maker Parts: Fast Shipping Source: easyapplianceparts.com Kitchenaid Ice Maker Parts Kitchenaid Parts Source: wiringomaha.ilragazzodellagiudecca.it Diagram] Eckmfez2 Wiring Diagram For Whirlpool Ice Maker Full Version Hd Quality Ice Maker Wiringomaha.Ilragazzodellagiudecca.It Source: truetex.com Repairing The Whirlpool And Kitchenaid Ice Machines Source: refrigeratorspartsus.blogspot.com Refrigerators Parts: Kitchen Aid Refrigerator Parts Source: us-appliance.com Kuid308Hps Kitchenaid 18" Automatic Icemaker With Clear Ice Technology Printshield Stainless Steel Source: ipodschematics.ilragazzodellagiudecca.it Diagram] Wiring Diagram Whirlpool Refrigerator Ice Maker Full Version Hd Quality Ice Maker Ipodschematics.Ilragazzodellagiudecca.It Source: kitchenaidparts.com Kitchenaid Refrigerator Ice Maker Parts: Fast Shipping Source: kitchenaid.com Ice Maker Parts And Accessories Kitchenaid Source: manualslib.com Kitchenaid Kfco22Evbl00 Parts List Pdf Download Manualslib Source: searspartsdirect.com Kitchenaid Kims8 Water & Ice System Parts Sears Partsdirect Source: partselect.com Kscs25Inss00 Kitchenaid Refrigerator Parts & Repair Help Partselect Source: producthelp.kitchenaid.com Side By Side Refrigerator W/Dispenser Product Help Kitchenaid Source: hison.rine.itis.gue45.mohammedshrine.org Zx_0905] Wiring Diagram As Well Whirlpool Ice Maker Wiring Diagram As Well Schematic Wiring Source: refrigeratorspartsus.blogspot.com Refrigerators Parts: Kitchenaid Parts Refrigerator Source: kitchenaid.com Kitchenaid Refrigerator Water Filters Kitchenaid Source: whirlpool.com Home Appliance Parts & Accessories Whirlpool Source: ereplacementparts.com Kitchenaid Refrigerator Kfxs25Ryms2 Ereplacementparts.Com Source: youtube.com How To: Whirlpool/Kitchenaid/Maytag Ice Bucket Coupling Wp2188918 Youtube Source: removeandreplace.com How To Fix Hollow Ice Cubes On Refrigerator Ice Maker Source: partsips.com Whirlpool Jenn Air Kitchenaid Maytag Roper Admiral Sears Kenmore Norge Magic Chef Amana Refrigerator Icemaker Part# W10122576 Appliance Parts And Supplies : Partsips Source: partsdr.com W10908391 Whirlpool Ice Maker Assembly Parts Dr Source: searspartsdirect.com Kitchenaid Kbfs22Ewms9 Bottom Mount Refrigerator Parts Sears Partsdirect Source: none.ndine.garna.mohammedshrine.org Gk_7565] Refrigerator Parts Diagram Further Whirlpool Gold Refrigerator Wiring Download Diagram Source: pinterest.com Ge Refrigerator Gss25Wgmdcc Parts List Refrigerator Ice Maker, Kenmore Elite Refrigerator, Kitchenaid Refrigerator Source: repairclinic.com Refrigerator Ice Maker Assembly W10882923 Fast Shipping Repair Clinic Source: searspartsdirect.com Kitchenaid Ksrb22Fkss02 Side By Side Refrigerator Parts Sears Partsdirect Source: ereplacementparts.com Kitchenaid Refrigerator Kscs25Inss00 Ereplacementparts.Com Source: docs.google.com Kitchenaid Superba Refrigerator Manual Pdf Source: american-appliance.com Modual Ice Maker Diagnostic Sheet Source: kitchenaid.com Ice Makers Kitchenaid Source: manualzz.com Kitchenaid Kfcs22Evms2 Refrigerator User Manual Manualzz Source: kitchenaid.com How To Change The Water Filter On Your Kitchenaid Refrigerator Kitchenaid Source: searspartsdirect.com Kitchenaid Ksrg25Fkss15 Side By Side Refrigerator Parts Sears Partsdirect Source: pdfxfriskk.fermobiologico.it Diagram] Ge Refrigerator Wiring Diagram Ice Maker Full Version Hd Quality Ice Maker Pdfxfriskk.Fermobiologico.It Source: m.youtube.com How Does A Refrigerator Ice Maker Work? Appliance Repair Youtube Source: schematiccorp2a.angelux.it Diagram] Lg Ice Maker Diagram Full Version Hd Quality Maker Diagram Schematiccorp2A.Angelux.It Source: kitchenaidparts.com Kitchenaid Refrigerator Ice Maker Parts: Fast Shipping Source: homedepot.com Unbranded Ice Maker Kit Ic13B The Home Depot Source: ebay.com Whirlpool Eckmf 95 Automatic Ice Maker Kit For Sale Online Ebay Source: ereplacementparts.com Kitchenaid Refrigerator Kscs25Inss00 Ereplacementparts.Com Source: m.youtube.com Whirlpool/Kitchen Aid Ice Maker Diagnosis And Repair Youtube Source: partsdr.com W10757851 Ice Level Optics Board Diagnostics & Replacement Source: fix.com Oem Kitchenaid Refrigerator Parts Expert Diy Repair Help & Fast Shipping Fix.Com Source: speedyapplianceparts.com W10882923 Refrigerator Ice Maker Assembly Replacement For Whirlpool > Speedy Appliance Parts Source: producthelp.kitchenaid.com How To Troubleshoot The Ice Maker Product Help Kitchenaid Source: easyapplianceparts.com Kitchenaid Ice Maker Parts Kitchenaid Parts Source: walmart.com 2198597 Refrigerator Ice Maker Assembly Replacement For Kitchenaid Ksrx25Fvms00 Compatible With W10190960 Ap3182733 Icemaker Walmart.Com Walmart.Com Source: fix.com Ice Maker Parts & Repair Help Fix.Com
suggestion: kitchenaid refrigerator ice maker parts list
0 Response to "kitchenaid refrigerator ice maker parts list"
Posting Komentar